Prírubové ložisko HZ-GFM kombinuje radiálnu nosnosť s kontrolou axiálneho vyrovnania vďaka integrovanej konštrukcii príruby. Vyrobené z tepelne stabilizovaných polymérov, odoláva prerušovaným rázovým zaťaženiam a nesúosovosti v automobilových spojoch, HVAC tlmičoch alebo systémoch manipulácie s materiálom.
Základné vlastnosti
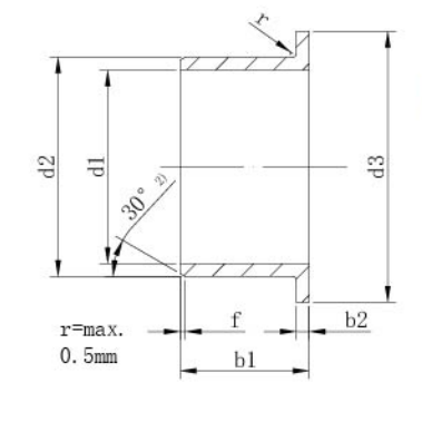
Dizajn príruby: Zabraňuje axiálnemu posunu; zjednodušuje montáž do puzdier z mäkkého materiálu.
Materiál: PA66 alebo PEEK vystužený sklenenými vláknami pre zvýšenú teplotnú odolnosť (krátkodobo do 180°C).
Inštalácia: Kompatibilné s lisovanými nástrojmi (napr. séria PT-1350) pre rýchlu montáž.
Aplikácie: Telesá čerpadiel, elektrické vedenia ovládačov a valčeky dopravníka vyžadujúce obojsmernú stabilitu.















